手机版
桌面版
二维码
开年换新·稳价保供
施耐德电气新客礼
亚德客电磁阀37.99元
西门子PLC
博世电动工具
西门子PLC
大采汇服务号
公告:
首页广告位出租
点击查看详情>
首页
最新采购单
优质工厂
优质产品
公众号
小程序
认证中心
采购行业分类
塑胶件
冲压件
钣金加工
包装印刷
焊接件
机加工
表面处理
锻造铸造
服装纺织
机械设备
电子电器
玻璃制品
模具加工
木材家具
首页
>
供应产品
>
五金制品
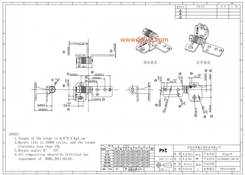
笔记本类转轴
点击图片查看原图
单价:
面议
起订:
供货总量:
发货期限:
自买家付款之日起
15
天内发货
所在地:
广东
有效期至:
长期有效
最后更新:
2020-06-08 23:22
浏览次数:
93
公司基本资料信息
深***********司
已缴纳
0.00
元保证金
联系人
赵*生(先生) 总经理
会员
[
当前离线
]
[加为商友]
[发送信件]
邮件
sstanley.***@phten.com
电话
0***********1
手机
1*********5
地区
广东
地址
深***************************南
详细说明
更多
>
本企业其它产品
支架类转轴PHT454-001
笔记本类转轴PHT252-0
一字阻尼转轴
笔记本类转轴
医疗器械类转轴
旋转类转轴
一字阻尼转轴
支架类转轴
0
条
相关评论