手机版
桌面版
二维码
开年换新·稳价保供
施耐德电气新客礼
亚德客电磁阀37.99元
西门子PLC
博世电动工具
西门子PLC
大采汇服务号
公告:
首页广告位出租
点击查看详情>
首页
最新采购单
优质工厂
优质产品
公众号
小程序
认证中心
采购行业分类
塑胶件
冲压件
钣金加工
包装印刷
焊接件
机加工
表面处理
锻造铸造
服装纺织
机械设备
电子电器
玻璃制品
模具加工
木材家具
首页
>
最新订单
>
机加工
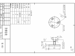
0.7小模数齿轮加工
点击图片查看原图
需求数量:
10000件
报价是否含税:
含税
报价是否含运费:
含运费
付款方式:
有预付
所在地:
山东淄博市
有效期至:
2015-07-13
[已过期]
最后更新:
2015-06-28 13:41
浏览次数:
24
公司基本资料信息
您还没有登录,请登录后查看详情
注意
:发布人未在本站注册,建议优先选择
VIP会员
详细说明
本厂是专业生产微型齿轮箱的厂家,每年都有大量齿轮需要外协加工。现有一款模数0.7行星齿轮、阶梯齿轮(行星架)需外协,材料40cr,调质、氮化处理;冷挤件也可以。请有加工能力的厂家速联系。要求:质量稳定,价格合理,交货及时(不延期)。联系人:董先生
更多
>
同类最新订单
金属直角两通加工
T型三通加工
两通加工
四通加工
铁和不锈钢加工
机加工件
304不锈钢加工件
零件轴加工