手机版
桌面版
二维码
开年换新·稳价保供
施耐德电气新客礼
亚德客电磁阀37.99元
西门子PLC
博世电动工具
西门子PLC
大采汇服务号
公告:
首页广告位出租
点击查看详情>
首页
最新采购单
优质工厂
优质产品
公众号
小程序
认证中心
采购行业分类
塑胶件
冲压件
钣金加工
包装印刷
焊接件
机加工
表面处理
锻造铸造
电子电器
机械设备
服装纺织
玻璃制品
模具加工
木材家具
首页
>
最新订单
>
机加工
标准零部件外发加工
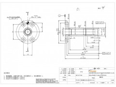
点击图片查看原图
需求数量:
300万元
报价是否含税:
含税
报价是否含运费:
含运费
付款方式:
有预付
所在地:
广东深圳市
发布时间:
2016-09-20
有效期至:
2016-09-23
[已过期]
浏览次数:
48
公司基本资料信息
您还没有登录,请登录后查看详情
注意
:查看联系方式,需开通
VIP会员
详细说明
公司专业生产自动化设备,旗下品牌威洛博专业生产单轴,多轴机械手,电动缸,现在有大量订单零部件外发,寻求有实力的供应商合作,欢迎来电咨询
附件:
零件05.PDF
零件08.PDF
零件09.PDF
零件10.PDF
零件11.PDF
更多
>
同类最新订单
销钉加工
惰轮销加工
304螺丝加工
行星抛光夹柄加工
不锈钢零件加工
铸造毛坯4轴加工
地脚加工
张紧轴加工