手机版
桌面版
二维码
开年换新·稳价保供
施耐德电气新客礼
亚德客电磁阀37.99元
西门子PLC
博世电动工具
西门子PLC
大采汇服务号
公告:
首页广告位出租
点击查看详情>
首页
最新采购单
优质工厂
优质产品
公众号
小程序
认证中心
采购行业分类
塑胶件
冲压件
钣金加工
包装印刷
焊接件
机加工
表面处理
锻造铸造
服装纺织
机械设备
电子电器
玻璃制品
模具加工
木材家具
首页
>
最新订单
>
机加工
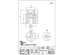
轴类零件加工
点击图片查看原图
需求数量:
12000件
报价是否含税:
含税
报价是否含运费:
含运费
付款方式:
有预付
所在地:
四川成都市
有效期至:
2016-10-17
[已过期]
最后更新:
2016-09-17 16:01
浏览次数:
24
公司基本资料信息
您还没有登录,请登录后查看详情
注意
:发布人未在本站注册,建议优先选择
VIP会员
详细说明
我公司装配线需要采购大量的各类小型机械零件,现向社会公开一个机型的一种机械配件(图纸自行下载),希望能筛选出有质量意识、质量保障能力和一定产能的生产型企业作为年度级供货商参与很多小零件的供应工作。附件图:
电机接头(M5平底).pdf
更多
>
同类最新订单
金属直角两通加工
T型三通加工
两通加工
四通加工
铁和不锈钢加工
机加工件
304不锈钢加工件
零件轴加工