手机版
桌面版
二维码
开年换新·稳价保供
施耐德电气新客礼
亚德客电磁阀37.99元
西门子PLC
博世电动工具
西门子PLC
大采汇服务号
公告:
首页广告位出租
点击查看详情>
首页
最新采购单
优质工厂
优质产品
公众号
小程序
认证中心
采购行业分类
塑胶件
冲压件
钣金加工
包装印刷
焊接件
机加工
表面处理
锻造铸造
服装纺织
机械设备
电子电器
玻璃制品
模具加工
木材家具
首页
>
最新订单
>
机加工
五金件报价-不锈钢(车床件)
点击图片查看原图
需求数量:
100000件
报价是否含税:
含税
报价是否含运费:
含运费
付款方式:
有预付
所在地:
广东东莞市
有效期至:
2015-07-22
[已过期]
最后更新:
2015-06-22 23:40
浏览次数:
37
公司基本资料信息
您还没有登录,请登录后查看详情
注意
:发布人未在本站注册,建议优先选择
VIP会员
详细说明
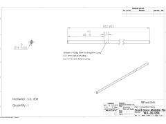
五金加工,数量单价请报500,1k,2k 附件图:
MRV1001-52_Foot Board Slider Plunger Rev 1.PDF
MRV1001-53_Front Door Middle Pin Rev 1.PDF
MRV1001-56_Slider Pin Rev 1.PDF
MRV1001-59_Foot Board Pin Rev 1.PDF
MRV1001-61_Fold Lock Pin Rev 1.PDF
RFQ_Wheelable_MetalParts.xlsx
图档还有10几款,详见文档明细,有意者可加QQ,发图档给你,五金加工,数量单价请报500,1k,2k
更多
>
同类最新订单
吊具-可调节丝杆加工
细钢丝穿珠针加工
金属直角两通加工
T型三通加工
两通加工
四通加工
铁和不锈钢加工
机加工件