手机版
桌面版
二维码
开年换新·稳价保供
施耐德电气新客礼
亚德客电磁阀37.99元
西门子PLC
博世电动工具
西门子PLC
大采汇服务号
公告:
首页广告位出租
点击查看详情>
首页
最新采购单
优质工厂
优质产品
公众号
小程序
认证中心
采购行业分类
塑胶件
冲压件
钣金加工
包装印刷
焊接件
机加工
表面处理
锻造铸造
电子电器
机械设备
服装纺织
玻璃制品
模具加工
木材家具
首页
>
最新订单
>
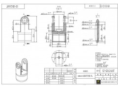
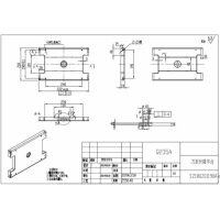
机加工
五金件加工
点击图片查看原图
需求数量:
报价是否含税:
含税
报价是否含运费:
含运费
付款方式:
有预付
所在地:
广东中山市
发布时间:
2016-08-31
有效期至:
2016-09-30
[已过期]
浏览次数:
20
公司基本资料信息
您还没有登录,请登录后查看详情
注意
:查看联系方式,需开通
VIP会员
详细说明
我司长期需求以上产品,由于格式限制 ,每款还有详细3D图无法上传,如有意向合作供应商可以与本人联系,戴小姐
注;合作厂家中山坦洲地区的优先考虑,外省的不做考虑,请知悉 !
附件:
SZ-GD124A07 - 图纸1.pdf
ZT-GD32A03 - 图纸2.pdf
ZT-GD32A04 - 图纸3.pdf
ZT-GD32A13 - 图纸4.pdf
更多
>
同类最新订单
刀封升降平台加工
车件加工
不锈钢螺丝加工
钣金件加工
连接丝杠加工
机加工件
钥匙扣加工
6款机加工件