手机版
桌面版
二维码
开年换新·稳价保供
施耐德电气新客礼
亚德客电磁阀37.99元
西门子PLC
博世电动工具
西门子PLC
大采汇服务号
公告:
五一开通会员有优惠
点击查看详情>
首页
最新采购单
优质工厂
优质产品
公众号
小程序
认证中心
采购行业分类
塑胶件
冲压件
钣金加工
包装印刷
焊接件
机加工
表面处理
锻造铸造
电子电器
机械设备
服装纺织
玻璃陶瓷
模具加工
木材家具
首页
>
最新订单
>
机加工
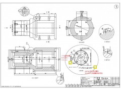
联轴器询价
点击图片查看原图
需求数量:
4件
报价是否含税:
含税
报价是否含运费:
含运费
付款方式:
有预付
所在地:
山东莱芜市
发布时间:
2016-08-29
有效期至:
2016-09-05
[已过期]
浏览次数:
23
公司基本资料信息
您还没有登录,请登录后查看详情
注意
:查看联系方式,需开通
VIP会员
详细说明
请按照询价单的要求填写报价信息,并发至邮箱
kclaiwu001@163.com
,以方便报价的记录与答复。如有问题请联系,千牛账号长期在线
附件:
1.pdf
2.pdf
联轴器询价单.xls
更多
>
同类最新订单
蜗杆加工
蜗轮加工
不锈钢手柄加工
铝手轮加工
铝轴座加工
机加工件
零件加工
导向器加工