手机版
桌面版
二维码
开年换新·稳价保供
施耐德电气新客礼
亚德客电磁阀37.99元
西门子PLC
博世电动工具
西门子PLC
大采汇服务号
公告:
首页广告位出租
点击查看详情>
首页
最新采购单
优质工厂
优质产品
公众号
小程序
认证中心
采购行业分类
塑胶件
冲压件
钣金加工
包装印刷
焊接件
机加工
表面处理
锻造铸造
电子电器
机械设备
服装纺织
玻璃陶瓷
模具加工
木材家具
首页
>
最新订单
>
机加工
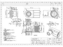
弯公头主体加工
点击图片查看原图
需求数量:
10K/每月
报价是否含税:
含税
报价是否含运费:
含运费
付款方式:
协商
所在地:
江苏苏州市
发布时间:
2026-04-23
有效期至:
2026-05-23
浏览次数:
6
公司基本资料信息
您还没有登录,请登录后查看详情
注意
:查看联系方式,需开通
VIP会员
详细说明
弯公头主体,材质304,每月10K起,可以做的速私信。电脑端下载图纸:
EMT-MQD04-M-08-1100 MINI弯公头主体.pdf
更多
>
同类最新订单
弯公头主体加工
开口焊接t帽开槽加工
采购A3平垫
零件加工
安装板加工
齿轮/轴套/齿换加工
轴车加工
球头球碗定制