手机版
桌面版
二维码
开年换新·稳价保供
施耐德电气新客礼
亚德客电磁阀37.99元
西门子PLC
博世电动工具
西门子PLC
大采汇服务号
公告:
首页广告位出租
点击查看详情>
首页
最新采购单
优质工厂
优质产品
公众号
小程序
认证中心
采购行业分类
塑胶件
冲压件
钣金加工
包装印刷
焊接件
机加工
表面处理
锻造铸造
电子电器
机械设备
服装纺织
玻璃陶瓷
模具加工
木材家具
首页
>
最新订单
>
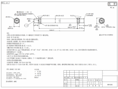
机加工
长轴加工
点击图片查看原图
需求数量:
1万个
报价是否含税:
含税
报价是否含运费:
含运费
付款方式:
协商
所在地:
江苏泰州市
发布时间:
2026-04-21
有效期至:
2026-05-21
浏览次数:
16
公司基本资料信息
您还没有登录,请登录后查看详情
注意
:查看联系方式,需开通
VIP会员
详细说明
数量1万起订,材质45钢,要求高实力工厂联系。电脑端下载图纸:
hub新产品模型.pdf
更多
>
同类最新订单
内环加工
外环加工
中环加工
线圈盘加工
磁力联轴器隔圈加工
CNC/车加工件
1.2寸不锈钢水接头安
重型杆耳孔塞规加工