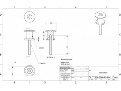
我们目前正在评估用于工业应用的不锈钢快速锁扣,并希望获取报价。我已附上请求尺寸的图纸。样品数量为200个。之后的订单为每批5000-10000个。预计数量:每单位8至25个锁扣(年产量待讨论)。技术要求:
材料:优选100%不锈钢(SS)最小拉力:500磅最小使用寿命:>1,000次循环耐氨气和高湿度环境防尘防水
适用于户外和工业用途
请提供:
单价(含价格折扣)
交货周期
符合上述要求的可用型号
技术数据表
如果需要额外信息来准备报价,请告知我们。 
公告:

