手机版
桌面版
二维码
开年换新·稳价保供
施耐德电气新客礼
亚德客电磁阀37.99元
西门子PLC
博世电动工具
西门子PLC
大采汇服务号
公告:
首页广告位出租
点击查看详情>
首页
最新采购单
优质工厂
优质产品
公众号
小程序
认证中心
采购行业分类
塑胶件
冲压件
钣金加工
包装印刷
焊接件
机加工
表面处理
锻造铸造
电子电器
机械设备
服装纺织
玻璃陶瓷
模具加工
木材家具
首页
>
最新订单
>
机加工
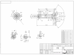
喷嘴加工
点击图片查看原图
需求数量:
3件
报价是否含税:
含税
报价是否含运费:
含运费
付款方式:
协商
所在地:
江苏南京市
发布时间:
2026-03-24
有效期至:
2026-04-23
[已过期]
浏览次数:
28
公司基本资料信息
您还没有登录,请登录后查看详情
注意
:查看联系方式,需开通
VIP会员
详细说明
数量:3件 ,需符合GH4169(Inco
nel 718)材料标准及典型热处理工艺(950°C固溶+双级时效),必须严格按所供图纸(含尺寸、公差、形位公差及技术要求)执行,GH4169(Inco
nel 718),内部尺寸很小,您多久能确认好?我这需要尽快确认报价和工期,航空航天或能源领域高温承力部件,收货地址:哈尔滨市南岗区 含税
更多
>
同类最新订单
法兰/轴座加工
上连板/立柱加工
横梁/挂耳/连接杆加工
托板加工
CNC加工
不锈钢加工
下冲支撑丝杆加工
冲压加工