手机版
桌面版
二维码
开年换新·稳价保供
施耐德电气新客礼
亚德客电磁阀37.99元
西门子PLC
博世电动工具
西门子PLC
大采汇服务号
公告:
首页广告位出租
点击查看详情>
首页
最新采购单
优质工厂
优质产品
公众号
小程序
认证中心
采购行业分类
塑胶件
冲压件
钣金加工
包装印刷
焊接件
机加工
表面处理
锻造铸造
服装纺织
机械设备
电子电器
玻璃制品
模具加工
木材家具
首页
>
最新订单
>
机加工
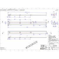
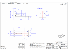
4台设备加工件
点击图片查看原图
需求数量:
一批
报价是否含税:
含税
报价是否含运费:
含运费
付款方式:
协商
所在地:
湖北武汉市
发布时间:
2026-03-18
有效期至:
2026-04-17
浏览次数:
9
公司基本资料信息
您还没有登录,请登录后查看详情
注意
:查看联系方式,需开通
VIP会员
详细说明
联系发图纸报价,里面有清单,有数量。清单数量:
HBHJ202603-375.xlsx
HBHJ202603-398.xlsx
HBHJ202603-374.xlsx
HBHJ202603-376.xlsx
更多
>
同类最新订单
4台设备加工件
走心机/自动车加工
轴套车铣复合加工
齿轮轴加工
4款加工件寻外协加工
0.5模内齿圈加工
齿轮轴加工
定制镀硬铬光轴