手机版
桌面版
二维码
开年换新·稳价保供
施耐德电气新客礼
亚德客电磁阀37.99元
西门子PLC
博世电动工具
西门子PLC
大采汇服务号
公告:
首页广告位出租
点击查看详情>
首页
最新采购单
优质工厂
优质产品
公众号
小程序
认证中心
采购行业分类
塑胶件
冲压件
钣金加工
包装印刷
焊接件
机加工
表面处理
锻造铸造
服装纺织
机械设备
电子电器
玻璃制品
模具加工
木材家具
首页
>
最新订单
>
机加工
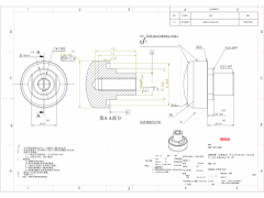
RF电极头加工
点击图片查看原图
需求数量:
1000个
报价是否含税:
含税
报价是否含运费:
含运费
付款方式:
有预付
所在地:
广东深圳市
有效期至:
2026-01-14
[已过期]
最后更新:
2025-12-15 11:05
浏览次数:
98
公司基本资料信息
您还没有登录,请登录后查看详情
注意
:发布人未在本站注册,建议优先选择
VIP会员
详细说明
采购RF电极头,按图纸,材质:SAE 1017-1020钢,低摩擦铬,抛光,数量:首单530/1000,长期有需求,出口以色列。要求:供应商有跟外贸公司合作和出口经验的,可以收美金且能报关,请优先按顺序报含报关FOB离岸美金价/人民币含税价/未税价,符合要求并感兴趣生产厂家请+V,中间商勿扰。
附件:
RF电极头1MHZ(中英文)mm000112 rev d.. rf electr_billingual.pdf
更多
>
同类最新订单
金属直角两通加工
T型三通加工
两通加工
四通加工
铁和不锈钢加工
机加工件
304不锈钢加工件
零件轴加工