手机版
桌面版
二维码
开年换新·稳价保供
施耐德电气新客礼
亚德客电磁阀37.99元
西门子PLC
博世电动工具
西门子PLC
大采汇服务号
公告:
首页广告位出租
点击查看详情>
首页
最新采购单
优质工厂
优质产品
公众号
小程序
认证中心
采购行业分类
塑胶件
冲压件
钣金加工
包装印刷
焊接件
机加工
表面处理
锻造铸造
服装纺织
机械设备
电子电器
玻璃制品
模具加工
木材家具
首页
>
最新订单
>
机加工
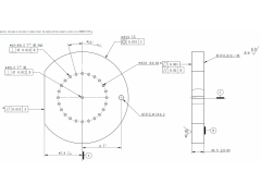
水刀或激光给氧化锆陶瓷打孔加工
点击图片查看原图
需求数量:
5
报价是否含税:
含税
报价是否含运费:
含运费
付款方式:
有预付
所在地:
广东东莞市
有效期至:
2025-09-04
[已过期]
最后更新:
2025-08-28 18:43
浏览次数:
44
公司基本资料信息
您还没有登录,请登录后查看详情
详细说明
需要用水刀或激光给氧化锆陶瓷打孔,陶瓷片厚度2.5毫米,打24个直径0.5毫米的孔,1个直径1毫米的下沉孔。具体参数请查阅附件图纸。联系采购18188835952
更多
>
同类最新订单
金属直角两通加工
T型三通加工
两通加工
四通加工
铁和不锈钢加工
机加工件
304不锈钢加工件
零件轴加工