手机版
桌面版
二维码
开年换新·稳价保供
施耐德电气新客礼
亚德客电磁阀37.99元
西门子PLC
博世电动工具
西门子PLC
大采汇服务号
公告:
首页广告位出租
点击查看详情>
首页
最新采购单
优质工厂
优质产品
公众号
小程序
认证中心
采购行业分类
塑胶件
冲压件
钣金加工
包装印刷
焊接件
机加工
表面处理
锻造铸造
服装纺织
机械设备
电子电器
玻璃制品
模具加工
木材家具
首页
>
最新订单
>
钣金加工
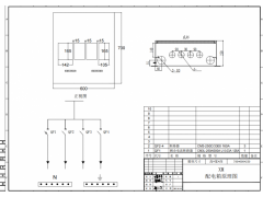
304不锈钢控制箱加工
点击图片查看原图
需求数量:
1套
报价是否含税:
含税
报价是否含运费:
含运费
付款方式:
有预付
所在地:
吉林松原市
有效期至:
2025-06-26
[已过期]
最后更新:
2025-06-11 20:49
浏览次数:
176
公司基本资料信息
您还没有登录,请登录后查看详情
注意
:发布人未在本站注册,建议优先选择
VIP会员
详细说明
304不锈钢控制箱(含元器件),按图纸箱体高700mm*宽600mm*深250mm。1、要求箱体板厚≥1.5mm。2、安装配置电器件详见图纸要求的品牌及规格参数。3、要求开关之间采用铜排连接并套热缩管。4、要求铜排上预留进线电缆接口。5、若有技术上的疑问请咨询
1、请各报价单位严格按照平台上的要求及图纸落实报价。 2、严保质量第一。 3、付款方式:货到需方仓库经验收合格,全额发票到30日付清货款。 4、具体配置及参数详见附图。
配电箱一次系统图及平面布局图.pdf
更多
>
同类最新订单
钣金件加工
钣金加工
自动化设备钣金加工
骨架钣金件加工
钣金加工
钣金加工
金属件激光切割与滚弯
钣金加工