大采汇 - 机械制造外协加工平台 - 数智化采购招标、询价报价B2B服务商

大采汇服务号

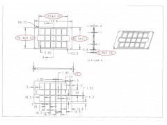
石墨机加工(CNC)

点击图片查看原图
 
需求数量: 500件
报价是否含税: 含税
报价是否含运费: 含运费
付款方式: 有预付
所在地: 福建漳州市
有效期至: 2015-06-23 [已过期]
最后更新: 2015-06-20 14:19
浏览次数: 45
 
公司基本资料信息

您还没有登录,请登录后查看详情


 注意:发布人未在本站注册,建议优先选择VIP会员
详细说明
材料:石墨(石墨不可用太烂的普通石墨,要保证温度在350下产品无变形,且耐用的石墨) 数量:首批打样20片,合格后,每批500~700多件不等,长期订单! 要求:1) 首先必须保证产品美观,无裂痕等! 2)图纸上画红色圈圈的地方,要保证尺寸合格! 3)打样20片,无法在6月28号之前完成的,请不要报价! 4)必须要有加工石墨经验的厂家,中介勿扰! 且拍下之前做过石墨的产品,发给我看看,已做参考品质! 报价请在6月21号晚上12点之前结束,请有实力加工厂家把价格发送至huangjiangquan2014@hotmail.com,或加QQ452017838 
更多>同类最新订单
细钢丝穿珠针加工 金属直角两通加工 T型三通加工 两通加工 四通加工 铁和不锈钢加工 机加工件 304不锈钢加工件