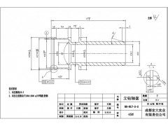
我公司2016年开始计划逐步将原有加工件成套外包,寻找有质量意识、质量改进能力和生产规模的常年配套供货商工厂。现发布五张图纸(系一个机型的铝制品零件),请自行下载后核算,我公司要求采购回厂的全部都是按图加工验收的成品零件,请报含税(17%)含运费(委托物流公司货运至我公司新都厂区交货)价格。
目前先发布一个机型的,其余数个机型的图纸会陆续发布。
报价方式:传真或直接在此询价单后面报价
只寻求有实力的生产厂家,双方需要到对方工厂实地考察并最终以合同方式确认合作关系,贸易商和中介平台请勿扰。附件图纸:

公告:

