手机版
桌面版
二维码
开年换新·稳价保供
施耐德电气新客礼
亚德客电磁阀37.99元
西门子PLC
博世电动工具
西门子PLC
大采汇服务号
公告:
五一开通会员有优惠
点击查看详情>
首页
最新采购单
优质工厂
优质产品
公众号
小程序
认证中心
采购行业分类
塑胶件
冲压件
钣金加工
包装印刷
焊接件
机加工
表面处理
锻造铸造
电子电器
机械设备
服装纺织
玻璃陶瓷
模具加工
木材家具
首页
>
最新订单
>
钣金加工
钣金加工
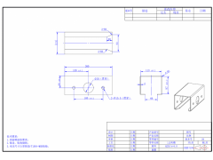
点击图片查看原图
需求数量:
1000套
报价是否含税:
含税
报价是否含运费:
含运费
付款方式:
有预付
所在地:
广东深圳市
发布时间:
2021-12-03
有效期至:
2021-12-10
[已过期]
浏览次数:
357
公司基本资料信息
您还没有登录,请登录后查看详情
注意
:查看联系方式,需开通
VIP会员
详细说明
钣金件加工,图纸:
113加强限位板-S0.PDF
113夹槽-S0.PDF
113上横梁前封盖-S0.DWG
更多
>
同类最新订单
机箱机架加工
钣金机箱件
支架折弯加工
设备钣金件
电控柜钣金机箱加工
钣金冲压件
钣金机箱加工
钣金加工件