大采汇 - 机械制造外协加工平台 - 数智化采购招标、询价报价B2B服务商

大采汇服务号

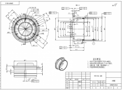
车铣复合铝合金件加工

点击图片查看原图
 
需求数量: 150套
报价是否含税: 含税
报价是否含运费: 含运费
付款方式: 有预付
所在地: 广东深圳市
有效期至: 2021-11-20 [已过期]
最后更新: 2021-11-13 17:30
浏览次数: 201
 
公司基本资料信息

您还没有登录,请登录后查看详情


 注意:发布人未在本站注册,建议优先选择VIP会员
详细说明
我公司需要找有热成像镜头筒加工能力的工厂,最好有4轴与5轴cnc加工能力的工厂,有车铣复合的设备人和我们我们联系,我们是股份制公司,每个供应商同一批货,一次报价机会,我们不压价,请在保证您合理的利润的前提下给出最优惠的价格,报价要含增值税13%的专用发票,每给月25号对账、对账时请提供合同、送货单、快递单、验收合格单、对账单,对好账单后,次月18号收到您增值税专用发票,25号准时付款,月结60天,图纸请联系我。 

图纸:   12F90VF4-FK-00 长波红外变焦镜头(合)20210710.pdf    15F225VF9-FK-00 长波红外变焦镜头(合)20210710.pdf    12F90VF4报价单.xls
更多>同类最新订单
细钢丝穿珠针加工 金属直角两通加工 T型三通加工 两通加工 四通加工 铁和不锈钢加工 机加工件 304不锈钢加工件