手机版
桌面版
二维码
开年换新·稳价保供
施耐德电气新客礼
亚德客电磁阀37.99元
西门子PLC
博世电动工具
西门子PLC
大采汇服务号
公告:
首页广告位出租
点击查看详情>
首页
最新采购单
优质工厂
优质产品
公众号
小程序
认证中心
采购行业分类
塑胶件
冲压件
钣金加工
包装印刷
焊接件
机加工
表面处理
锻造铸造
服装纺织
机械设备
电子电器
玻璃制品
模具加工
木材家具
首页
>
最新订单
>
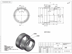
机加工
车铣复合加工
点击图片查看原图
需求数量:
500套
报价是否含税:
含税
报价是否含运费:
含运费
付款方式:
有预付
所在地:
广东深圳市
有效期至:
2021-10-20
[已过期]
最后更新:
2021-10-05 16:11
浏览次数:
108
公司基本资料信息
您还没有登录,请登录后查看详情
注意
:发布人未在本站注册,建议优先选择
VIP会员
详细说明
我公司需要找加工热成像镜头铝合金镜筒的供应商,我们是生产厂家,每个月都有需要加工的的各种铝合金配件产品,请有规模的加工厂和我们联系,欢迎到我们工厂参观指导,镜头镜筒从小到大有20多款,每个月有不同的型号需要加工,我们是股份制公司,每款产品,每个供应商对加工产品每次只有一次报价机会,我们是在网络平台公开询价,请保证您的合理利润下,给我们最优惠的价格,我们不压价也不给您第二次报价的机会,因为我们理解每个供应商都有自己的成本,我们是按照图纸要求与提供的样品验收,表面要光洁、不能有过于尖角对皮肤有伤害,表面处理要一直,希望我们有机会合作,每个月25号对账,收到您的发票对账后月结60天准时付款。
图纸:
HY.2109.005-10中片压圈 (1).pdf
HY.2109.005-10中片压圈.pdf
HY.2109.005-11中片垫圈.pdf
HY.2109.005-08后压圈.pdf
HY.2109.005-05后接口.pdf
HY.2109.005-07后片前垫圈.pdf
HY.2109.005-09调焦镜筒.pdf
HY.2109.005-06后片后垫圈.pdf
335LB-1.0-G.PDF
HY.2109.005-01前压圈.pdf
HY.2109.005-03前片垫圈.pdf
HY.2109.005-04手轮.pdf
HY.2109.005-02主镜筒.pdf
更多
>
同类最新订单
细钢丝穿珠针加工
金属直角两通加工
T型三通加工
两通加工
四通加工
铁和不锈钢加工
机加工件
304不锈钢加工件