手机版
桌面版
二维码
开年换新·稳价保供
施耐德电气新客礼
亚德客电磁阀37.99元
西门子PLC
博世电动工具
西门子PLC
大采汇服务号
公告:
首页广告位出租
点击查看详情>
首页
最新采购单
优质工厂
优质产品
公众号
小程序
认证中心
采购行业分类
塑胶件
冲压件
钣金加工
包装印刷
焊接件
机加工
表面处理
锻造铸造
服装纺织
机械设备
电子电器
玻璃制品
模具加工
木材家具
首页
>
最新订单
>
机加工
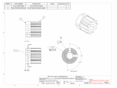
10齿带法兰齿轮加工
点击图片查看原图
需求数量:
4000个
报价是否含税:
含税
报价是否含运费:
含运费
付款方式:
有预付
所在地:
广东广州市
发布时间:
2016-07-14
有效期至:
2016-07-17
[已过期]
浏览次数:
15
公司基本资料信息
您还没有登录,请登录后查看详情
注意
:查看联系方式,需开通
VIP会员
详细说明
10齿带法兰齿轮
(编号M322-3)
,详细规格请看图纸,图纸尺寸为英寸 表面不用另做处理,但是要很干净,不能有尖角。 材料:齿轮部分4140钢或中国相等级别42CrMo钢; 法兰部分用低碳钢 我们目前有3款款齿轮要做,请看我其它询价单,3款都报一下。我们希望3款给同一个工厂做。谢谢
更多
>
同类最新订单
离芯叶轮五轴加工
螺栓加工
钢套加工
零件加工
轴加工
螺母加工
小外导体加工
支管毛坯加工