大采汇 - 机械制造外协加工平台 - 数智化采购招标、询价报价B2B服务商

大采汇服务号

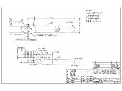
询有精加工能力的二款铸件零配件询供应商

点击图片查看原图
 
需求数量: 500件
报价是否含税: 含税
报价是否含运费: 含运费
付款方式: 有预付
所在地: 浙江杭州市
发布时间: 2016-07-11
有效期至: 2016-07-30 [已过期]
浏览次数: 7
 
公司基本资料信息

您还没有登录,请登录后查看详情


 注意:查看联系方式,需开通VIP会员
详细说明
产品名称 采购量 产品描述  
                  铸造         500件
详见图纸要求,需报成品件价格
               拨叉铸造         500件
详见图纸要求,需报成品件价格

1、询长期稳定工厂供应商,贸易商勿扰!

2、所报价格为单品成品含税含运费价格,非毛坯价! 
更多>同类最新订单
水桶铸造件 不锈钢压铸件 不锈钢精铸件 招募铝压铸供应商 不锈钢铸造件 精铸件 铸造件 压铸件