手机版
桌面版
二维码
开年换新·稳价保供
施耐德电气新客礼
亚德客电磁阀37.99元
西门子PLC
博世电动工具
西门子PLC
大采汇服务号
公告:
首页广告位出租
点击查看详情>
首页
最新采购单
优质工厂
优质产品
公众号
小程序
认证中心
采购行业分类
塑胶件
冲压件
钣金加工
包装印刷
焊接件
机加工
表面处理
锻造铸造
服装纺织
机械设备
电子电器
玻璃制品
模具加工
木材家具
首页
>
最新订单
>
机加工
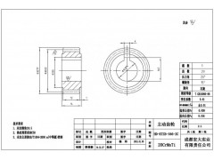
小模数齿轮加工
点击图片查看原图
需求数量:
42000件
报价是否含税:
含税
报价是否含运费:
含运费
付款方式:
有预付
所在地:
四川成都市
有效期至:
2016-08-05
[已过期]
最后更新:
2016-07-06 22:03
浏览次数:
28
公司基本资料信息
您还没有登录,请登录后查看详情
注意
:发布人未在本站注册,建议优先选择
VIP会员
详细说明
四款小模数齿轮,年采购总数量大约42000件(1:2:2:2的配对关系,共6000对),具体尺寸和公差请自行下载图纸,共四张齿轮图纸和两张配合参数一览表。本公司在样品认证合格并签年度采购合同后将按月下单、按月接受验货、按月支付货款。也可以使用支付宝交易。材质可以是20CrMnTi也可以是45#或40Cr,热处理方式也做想应变化和调整,但需要达到图纸的硬度要求。谢绝中介和贸易公司,只寻找生产厂家做年度供货商,请有综合实力能确保产品质量和交货期的厂家看图后报价。请报含税(17%)含运费(送货到厂交货)价。如果是无税价,请明确告知。报价请在此询价单后面直接报价或者发送传真,也可电话联系
。
附件图:
齿轮组参数1(斜齿轮).pdf
齿轮组参数2(直齿轮).pdf
从动齿轮1.pdf
从动齿轮2.pdf
从动齿轮3.pdf
主动齿.pdf
更多
>
同类最新订单
吊具-可调节丝杆加工
细钢丝穿珠针加工
金属直角两通加工
T型三通加工
两通加工
四通加工
铁和不锈钢加工
机加工件