手机版
桌面版
二维码
开年换新·稳价保供
施耐德电气新客礼
亚德客电磁阀37.99元
西门子PLC
博世电动工具
西门子PLC
大采汇服务号
公告:
首页广告位出租
点击查看详情>
首页
最新采购单
优质工厂
优质产品
公众号
小程序
认证中心
采购行业分类
塑胶件
冲压件
钣金加工
包装印刷
焊接件
机加工
表面处理
锻造铸造
服装纺织
机械设备
电子电器
玻璃制品
模具加工
木材家具
首页
>
最新订单
>
机加工
精密车加工零件
点击图片查看原图
需求数量:
2套
报价是否含税:
含税
报价是否含运费:
含运费
付款方式:
有预付
所在地:
广东深圳市
发布时间:
2016-07-04
有效期至:
2016-08-03
[已过期]
浏览次数:
30
公司基本资料信息
您还没有登录,请登录后查看详情
注意
:查看联系方式,需开通
VIP会员
详细说明
产品名称
采购量
产品描述
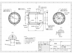
车加工零件 精密
2套
必须达到图纸要求
机座.pdf
转轴.pdf
更多
>
同类最新订单
铝加工件
铝件加工
铝零件加工
机加工件
不锈钢管件加工
立柱车加工
汽车锻件加工
连接帽加工