手机版
桌面版
二维码
开年换新·稳价保供
施耐德电气新客礼
亚德客电磁阀37.99元
西门子PLC
博世电动工具
西门子PLC
大采汇服务号
公告:
五一开通会员有优惠
点击查看详情>
首页
最新采购单
优质工厂
优质产品
公众号
小程序
认证中心
采购行业分类
塑胶件
冲压件
钣金加工
包装印刷
焊接件
机加工
表面处理
锻造铸造
电子电器
机械设备
服装纺织
玻璃陶瓷
模具加工
木材家具
首页
>
最新订单
>
冲压件
不锈钢缸体加工
点击图片查看原图
需求数量:
500件
报价是否含税:
含税
报价是否含运费:
含运费
付款方式:
有预付
所在地:
浙江杭州市
发布时间:
2021-06-11
有效期至:
2021-06-26
[已过期]
浏览次数:
66
公司基本资料信息
您还没有登录,请登录后查看详情
注意
:查看联系方式,需开通
VIP会员
详细说明
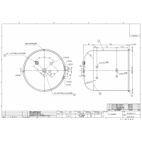
直径232mm深度250mm厚度1.2mm不锈钢304拉伸翻边割孔焊接加工
1、请提供详细的工艺流程
2、基于上述流程及所提供的报价模板,认真报价
3、产品材质为304不锈钢,厚度1.2mm,需要内外抛光,二维图是主体采用焊接方案的图纸,三维图是主体采用拉伸方案的图纸
4、公司应当成立时间不少于3年时间
5、公司具备完成该产品的核心工艺和核心设备
6、报价在接受范围之内,我方在端午节会安排考察工厂,无需考虑接待问题,主要交流工艺及设备是否满足产品制造
附件:
缶体项目采购说明20210525.docx
缶体项目采购说明20210606.docx
不锈钢筒体报价(拉伸方案模板).xls
KT22B001-R1 KTR-2322 缶体.pdf
更多
>
同类最新订单
弹片冲压加工
配件冲压加工
铝冲压件加工
冲压件/机加工件
提把加工
冲压件加工
冲压件加工
铝冲压件