大采汇 - 机械制造外协加工平台 - 数智化采购招标、询价报价B2B服务商

大采汇服务号

手机电子产品冲压件

点击图片查看原图
 
需求数量: 10000000件
报价是否含税: 含税
报价是否含运费: 含运费
付款方式: 有预付
所在地: 江苏苏州市
有效期至: 2021-06-14 [已过期]
最后更新: 2021-06-07 15:42
浏览次数: 99
 
公司基本资料信息

您还没有登录,请登录后查看详情


 注意:发布人未在本站注册,建议优先选择VIP会员
详细说明
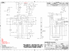
美国著名电子元器件生产厂商,产品内部精密零部件,高精密冲压制品,该两款产品,每款年用量约1000万件,材质均为:C17200铜板材,材料需按照热处理要求,表面电镀。图纸内尺寸全部为公制尺寸。要求厂家有类似部品制造经验,熟悉外资企业合作流程和验收标准,有英文图纸读图能力,有制作DFM文件能力,厂家要求在长三角地区,最好在苏州周边。以上如满足,请详细解读图纸,确认能够承接再行联系,不符勿扰,谢谢!

图纸:   32354548_e.1.5(外发版).pdf      32354549_e.1.4(外发版).pdf
 
更多>同类最新订单
三环点火锁弹片加工 方型提把加工 不锈钢加工件 冲压件 冲压配件加工 冲压件 垫片加工 五金弹片加工