手机版
桌面版
二维码
开年换新·稳价保供
施耐德电气新客礼
亚德客电磁阀37.99元
西门子PLC
博世电动工具
西门子PLC
大采汇服务号
公告:
五一开通会员有优惠
点击查看详情>
首页
最新采购单
优质工厂
优质产品
公众号
小程序
认证中心
采购行业分类
塑胶件
冲压件
钣金加工
包装印刷
焊接件
机加工
表面处理
锻造铸造
电子电器
机械设备
服装纺织
玻璃陶瓷
模具加工
木材家具
首页
>
最新订单
>
塑胶件
ABS挤出产品加工
点击图片查看原图
需求数量:
25000个
报价是否含税:
含税
报价是否含运费:
含运费
付款方式:
有预付
所在地:
浙江湖州市
发布时间:
2021-06-04
有效期至:
2021-06-19
[已过期]
浏览次数:
69
公司基本资料信息
您还没有登录,请登录后查看详情
注意
:查看联系方式,需开通
VIP会员
详细说明
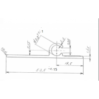
求购塑料挤出产品,材料ABS, 数量25000个/次。尺寸看附件图纸。产品上要激光打标,生产日期,材料,料号。要求浙江的供应商。
图纸:
13558.pdf
更多
>
同类最新订单
吹塑外发加工
采购PU麻将盒
硅胶注塑件
塑料滚筒加工
采购塑料包装盒和圆桶
塑料件加工
注塑加工件
电源外壳加工