手机版
桌面版
二维码
开年换新·稳价保供
施耐德电气新客礼
亚德客电磁阀37.99元
西门子PLC
博世电动工具
西门子PLC
大采汇服务号
公告:
五一开通会员有优惠
点击查看详情>
首页
最新采购单
优质工厂
优质产品
公众号
小程序
认证中心
采购行业分类
塑胶件
冲压件
钣金加工
包装印刷
焊接件
机加工
表面处理
锻造铸造
电子电器
机械设备
服装纺织
玻璃陶瓷
模具加工
木材家具
首页
>
最新订单
>
机加工
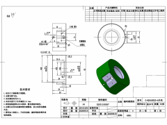
编码器零件加工
点击图片查看原图
需求数量:
12000套
报价是否含税:
含税
报价是否含运费:
含运费
付款方式:
有预付
所在地:
江苏苏州市
发布时间:
2021-05-27
有效期至:
2021-06-11
[已过期]
浏览次数:
116
公司基本资料信息
您还没有登录,请登录后查看详情
注意
:查看联系方式,需开通
VIP会员
详细说明
编码器金属加工零件,纯机加工件(非压铸后加工) ,全部为机加工件,供应商提供材料和加工,报价需含税含到苏州运费,每月1000套
图纸:
L-REA58B20-C 轴承压片 2020-06-02.pdf
N-REA58B20-C锁紧环-20210514.pdf
O-REA58B20-C 码盘座 2019-12-04.pdf
EB-REA58B20-A 压线盖板 2020-8-18.pdf
B-REA58B20-C 主轴 2020-06-02.pdf
G-REA58B20-A 外壳 2020-8-18.pdf
A-REA58B20-A 主体 2019-12-04.pdf
更多
>
同类最新订单
垫片加工
不锈钢支撑杆加工
锁紧杆加工
螺丝车加工
阀板车床件
机架龙门加工
CNC加工
ABS车加工件