手机版
桌面版
二维码
开年换新·稳价保供
施耐德电气新客礼
亚德客电磁阀37.99元
西门子PLC
博世电动工具
西门子PLC
大采汇服务号
公告:
五一开通会员有优惠
点击查看详情>
首页
最新采购单
优质工厂
优质产品
公众号
小程序
认证中心
采购行业分类
塑胶件
冲压件
钣金加工
包装印刷
焊接件
机加工
表面处理
锻造铸造
电子电器
机械设备
服装纺织
玻璃陶瓷
模具加工
木材家具
首页
>
最新订单
>
机加工
外发自动化设备零部件加工
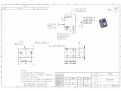
点击图片查看原图
需求数量:
14件
报价是否含税:
含税
报价是否含运费:
含运费
付款方式:
有预付
所在地:
江苏无锡市
发布时间:
2021-05-18
有效期至:
2021-05-25
[已过期]
浏览次数:
133
公司基本资料信息
您还没有登录,请登录后查看详情
注意
:查看联系方式,需开通
VIP会员
详细说明
注意表面美观,不能有碰伤。按图要求加工,交货期7-8天。每款各种2件。 目前公司正在找长期合作供应商,希望认真支持,谢谢!
图纸:
螺母套.pdf
盖板.pdf
防尘板.pdf
端板.pdf
电机座挡板.pdf
电机座.pdf
底板.pdf
更多
>
同类最新订单
铜件加工
销轴车加工
拍板转向轴加工
散热片加工
销轴加工
螺丝加工
散件加工
铝件CNC加工