手机版
桌面版
二维码
开年换新·稳价保供
施耐德电气新客礼
亚德客电磁阀37.99元
西门子PLC
博世电动工具
西门子PLC
大采汇服务号
公告:
五一开通会员有优惠
点击查看详情>
首页
最新采购单
优质工厂
优质产品
公众号
小程序
认证中心
采购行业分类
塑胶件
冲压件
钣金加工
包装印刷
焊接件
机加工
表面处理
锻造铸造
电子电器
机械设备
服装纺织
玻璃陶瓷
模具加工
木材家具
首页
>
最新订单
>
机加工
小轴加工
点击图片查看原图
需求数量:
100000件
报价是否含税:
含税
报价是否含运费:
含运费
付款方式:
有预付
所在地:
浙江宁波市
发布时间:
2021-05-13
有效期至:
2021-05-20
[已过期]
浏览次数:
100
公司基本资料信息
您还没有登录,请登录后查看详情
注意
:查看联系方式,需开通
VIP会员
详细说明
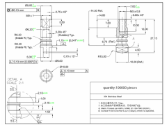
采购304材质,小轴,长度27.15,直径10,数量100000个,需要铣扁,攻螺纹
不锈钢阀轴.pdf
更多
>
同类最新订单
挤压铝型材加工
CNC加工
花键轴加工
铜件加工
销轴车加工
拍板转向轴加工
散热片加工
销轴加工