手机版
桌面版
二维码
开年换新·稳价保供
施耐德电气新客礼
亚德客电磁阀37.99元
西门子PLC
博世电动工具
西门子PLC
大采汇服务号
公告:
五一开通会员有优惠
点击查看详情>
首页
最新采购单
优质工厂
优质产品
公众号
小程序
认证中心
采购行业分类
塑胶件
冲压件
钣金加工
包装印刷
焊接件
机加工
表面处理
锻造铸造
电子电器
机械设备
服装纺织
玻璃陶瓷
模具加工
木材家具
首页
>
最新订单
>
机加工
流量计加工
点击图片查看原图
需求数量:
2000个/年
报价是否含税:
含税
报价是否含运费:
含运费
付款方式:
有预付
所在地:
山东青岛市
发布时间:
2021-04-06
有效期至:
2021-04-21
[已过期]
浏览次数:
16
公司基本资料信息
您还没有登录,请登录后查看详情
注意
:查看联系方式,需开通
VIP会员
详细说明
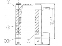
本流量计用于搭载血液透析机,目视进行透析液流量的检测及流量调节。流体种类:RO水,次氯酸钠(1000ppm以下),透析液,柠檬酸(1000ppm以下)浮子:SUS304流体温度:0-95℃耐压:0.15MPa-满足RoHS2指令-具有医疗器械使用实绩-使用寿命:7年以上
附件:
流量计.xlsx
更多
>
同类最新订单
机加工件
零件加工
导向器加工
螺母加工
非标件
调节螺栓加工
螺杆加工
45钢零件加工