手机版
桌面版
二维码
开年换新·稳价保供
施耐德电气新客礼
亚德客电磁阀37.99元
西门子PLC
博世电动工具
西门子PLC
大采汇服务号
公告:
首页广告位出租
点击查看详情>
首页
最新采购单
优质工厂
优质产品
公众号
小程序
认证中心
采购行业分类
塑胶件
冲压件
钣金加工
包装印刷
焊接件
机加工
表面处理
锻造铸造
电子电器
机械设备
服装纺织
玻璃制品
模具加工
木材家具
首页
>
最新订单
>
电子电器
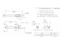
端子加工
点击图片查看原图
需求数量:
1000000pcs
报价是否含税:
含税
报价是否含运费:
含运费
付款方式:
有预付
所在地:
广东东莞市
发布时间:
2021-03-30
有效期至:
2021-04-14
[已过期]
浏览次数:
76
公司基本资料信息
您还没有登录,请登录后查看详情
注意
:查看联系方式,需开通
VIP会员
详细说明
询端子或类似端子 品牌:tyco/泰科
更多
>
同类最新订单
采购减速电机
采购模块和ADI坚固型
采购SensorMicro品牌
采购EGO品牌温控开关
采购直流电磁线圈
采购低端品牌智能手机
数据线钥匙扣充电宝加
双泵头蠕动泵加工