大采汇 - 机械制造外协加工平台 - 数智化采购招标、询价报价B2B服务商

大采汇服务号

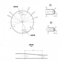
聚四氟乙烯异型垫片加工

点击图片查看原图
 
需求数量: 200个
报价是否含税: 含税
报价是否含运费: 含运费
付款方式: 有预付
所在地: 江苏镇江市
发布时间: 2021-03-29
有效期至: 2021-04-05 [已过期]
浏览次数: 21
 
公司基本资料信息

您还没有登录,请登录后查看详情


 注意:查看联系方式,需开通VIP会员
详细说明
请问这样的四氟垫片,可以车吗?橡胶的不要管,因为四氟垫片外径形状不规则。 

O1CN01H65m4B1QHbOWg9Ucv_!!2194891951-0-cib

O1CN01P6tJd91QHbOX7zO2H_!!2194891951-0-cib

O1CN01pzrCfY1QHbOWgAhVJ_!!2194891951-0-cib

O1CN01xc2WeS1QHbOUlxtpt_!!2194891951-0-cib

O1CN01l6apRy1QHbOQq2zIv_!!2194891951-0-cib

O1CN014NW6Ij1QHbOQq5nuj_!!2194891951-0-cib

O1CN01oq1qth1QHbOROS3AH_!!2194891951-0-cib
更多>同类最新订单
摩托车塑料件 PVC软管加工 氮化硅球加工 采购密封圈 吹塑外发加工 采购PU麻将盒 硅胶注塑件 塑料滚筒加工