手机版
桌面版
二维码
开年换新·稳价保供
施耐德电气新客礼
亚德客电磁阀37.99元
西门子PLC
博世电动工具
西门子PLC
大采汇服务号
公告:
首页广告位出租
点击查看详情>
首页
最新采购单
优质工厂
优质产品
公众号
小程序
认证中心
采购行业分类
塑胶件
冲压件
钣金加工
包装印刷
焊接件
机加工
表面处理
锻造铸造
服装纺织
机械设备
电子电器
玻璃制品
模具加工
木材家具
首页
>
最新订单
>
机加工
7款车件外发加工,各60个
点击图片查看原图
需求数量:
420个
报价是否含税:
含税
报价是否含运费:
含运费
付款方式:
有预付
所在地:
广东深圳市
发布时间:
2016-06-12
有效期至:
2016-07-12
[已过期]
浏览次数:
59
公司基本资料信息
您还没有登录,请登录后查看详情
注意
:查看联系方式,需开通
VIP会员
详细说明
产品名称
采购量
产品描述
车件加工
420个
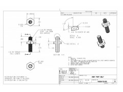
如图
你好,我司长期有小批量零件外发加工,现有7款车件外发,材料是不锈钢303,数量是每款60个;图纸尺寸单位是英寸;请贵司报价生产,希望长期合作,谢谢
附件:
ENGINEER - 40816-TD-005.jpg
ENGINEER - 40818-TD-005.jpg
ENGINEER - 40823-TD-005.jpg
ENGINEER - 40826-TD-005.jpg
更多
>
同类最新订单
挡钞杆滑板CNC加工
缓冲板CNC加工
压板加工
滑座CNC加工
支架垫板CNC加工
支架垫片加工
支承托板CNC加工
连接支座CNC加工