手机版
桌面版
二维码
开年换新·稳价保供
施耐德电气新客礼
亚德客电磁阀37.99元
西门子PLC
博世电动工具
西门子PLC
大采汇服务号
公告:
首页广告位出租
点击查看详情>
首页
最新采购单
优质工厂
优质产品
公众号
小程序
认证中心
采购行业分类
塑胶件
冲压件
钣金加工
包装印刷
焊接件
机加工
表面处理
锻造铸造
服装纺织
机械设备
电子电器
玻璃制品
模具加工
木材家具
首页
>
最新订单
>
电子电器
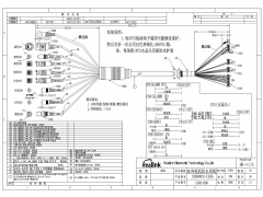
摄像机尾线 线束加工
点击图片查看原图
需求数量:
1000条
报价是否含税:
含税
报价是否含运费:
含运费
付款方式:
有预付
所在地:
广东深圳市
有效期至:
2020-12-28
[已过期]
最后更新:
2020-12-21 20:57
浏览次数:
45
公司基本资料信息
您还没有登录,请登录后查看详情
注意
:发布人未在本站注册,建议优先选择
VIP会员
详细说明
本公司因生产需要,先要购买一批摄像机尾线 线束,详情请看附件。报价需要提供营业执照,税务登记证工厂照片等。报价需含13个点的增值税发票和运费可月结,不能月结勿扰。 货每个月25号前到的对账,帐对清楚的下个月25号收到增值税专用发票到25日前付款,月结30天。付款前请提前2至3天通知需方,保证按时30天内付款
附件:
尾线.pdf
更多
>
同类最新订单
采购直流电磁线圈
采购低端品牌智能手机
数据线钥匙扣充电宝加
双泵头蠕动泵加工
采购ABB品牌电动机
静音计时器加工
采购集成光电二极管放
采购IPL品牌集成光电