手机版
桌面版
二维码
开年换新·稳价保供
施耐德电气新客礼
亚德客电磁阀37.99元
西门子PLC
博世电动工具
西门子PLC
大采汇服务号
公告:
首页广告位出租
点击查看详情>
首页
最新采购单
优质工厂
优质产品
公众号
小程序
认证中心
采购行业分类
塑胶件
冲压件
钣金加工
包装印刷
焊接件
机加工
表面处理
锻造铸造
电子电器
机械设备
服装纺织
玻璃陶瓷
模具加工
木材家具
首页
>
最新订单
>
机加工
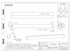
铝型材定做
点击图片查看原图
需求数量:
120000件
报价是否含税:
含税
报价是否含运费:
含运费
付款方式:
有预付
所在地:
广东广州市
发布时间:
2020-11-21
有效期至:
2020-11-28
[已过期]
浏览次数:
74
公司基本资料信息
您还没有登录,请登录后查看详情
注意
:查看联系方式,需开通
VIP会员
详细说明
1 报价只接受广东省内;
2 公司需具备挤型、氧化、加工
3 公司有完善的ISO体系等管理体系资质的优先考虑
4 确保该产品产能没月能供8-12万件
5 该产品外观不可刮花、杂质等 尺寸必须符合图纸需求
图纸:
外壳475E20201120.pdf
更多
>
同类最新订单
带槽M4装饰盖加工
铝合金车件
电机壳加工
钢管加工
钛合金喷嘴加工
高抗拉弹簧钢丝加工
斜侧轮加工
薄螺母加工