手机版
二维码
购物车
(
0
)
最新订单
优质工厂
优质产品
推广
热搜:
伞齿轮
加工
CNC加工
cnc
机加工
车床加工
钣金
焊接
齿轮
数控车床加工
首页
最新订单
优质工厂
优质产品
首页
>
最新订单
>
机加工
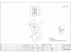
切割机装刀架加工
点击图片查看原图
需求数量:
10个
价格要求:
包装要求:
所在地:
江苏盐城市
有效期至:
2020-11-26
[已过期]
最后更新:
2020-11-19 20:45
浏览次数:
41
公司基本资料信息
您还没有登录,请登录后查看详情
注意
:发布人未在本站注册,建议优先选择
VIP会员
详细说明
切割机装刀架,按图加工,请查收附件,非诚勿扰!
更多
>
同类最新订单
304不锈钢轴加工
离芯叶轮五轴加工
轴加工
钢套加工
铝加工件
铝件加工
铝零件加工
机加工件
0
条
相关评论
网站首页
|
微信小程序
|
微信服务号
|
发询价单
|
如何接单
|
升级企业
|
本站帮助
|
充值方式
|
关于我们
|
联系方式
|
版权隐私
|
网站地图
|
排名推广
|
违规举报
|
湘ICP备2025120194号
本站订单真实有效,如有虚假信息请联系我们,我们会尽快处理