大采汇 - 机械制造外协加工平台 - 数智化采购招标、询价报价B2B服务商

大采汇服务号

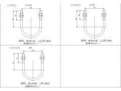
不锈钢U型螺栓加工

点击图片查看原图
 
需求数量: 190套
报价是否含税: 含税
报价是否含运费: 含运费
付款方式: 有预付
所在地: 浙江宁波市
发布时间: 2020-10-17
有效期至: 2020-10-24 [已过期]
浏览次数: 29
 
公司基本资料信息

您还没有登录,请登录后查看详情


 注意:查看联系方式,需开通VIP会员
详细说明
1
U型螺栓
品牌:304
型号:DN15
190套
— —
物料描述:材质:304不锈钢,每套配螺母各4只 (如图)
 
2
U型螺栓
品牌:304
型号:DN20
40套
— —
物料描述:材质:304不锈钢,每套配螺母各4只 (如图)
 
3
U型螺栓
品牌:304
型号:DN100
1套
— —
物料描述:材质:304不锈钢,每套配螺母各4只 (如图) 
更多>同类最新订单
车加工件 配件加工 辊加工 防护网加工 机器人指关节加工 连接套加工 旋转头加工 铝合金外壳加工