手机版
桌面版
二维码
开年换新·稳价保供
施耐德电气新客礼
亚德客电磁阀37.99元
西门子PLC
博世电动工具
西门子PLC
大采汇服务号
公告:
五一开通会员有优惠
点击查看详情>
首页
最新采购单
优质工厂
优质产品
公众号
小程序
认证中心
采购行业分类
塑胶件
冲压件
钣金加工
包装印刷
焊接件
机加工
表面处理
锻造铸造
电子电器
机械设备
服装纺织
玻璃陶瓷
模具加工
木材家具
首页
>
最新订单
>
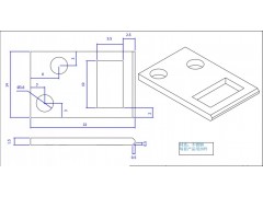
冲压件
不锈钢冲压件
点击图片查看原图
需求数量:
4000件
报价是否含税:
含税
报价是否含运费:
含运费
付款方式:
有预付
所在地:
山东潍坊市
发布时间:
2020-10-13
有效期至:
2020-10-20
[已过期]
浏览次数:
119
公司基本资料信息
您还没有登录,请登录后查看详情
注意
:查看联系方式,需开通
VIP会员
详细说明
采购不锈钢冲压产品,本次采购数量4000件,长期采购,详情请参阅附件图纸
更多
>
同类最新订单
折弯加工
平垫片加工
不锈钢冲压件
钣金机箱件
冲压后焊接加工
冲压件
压花防滑平垫加工
冲压件加工