手机版
桌面版
二维码
开年换新·稳价保供
施耐德电气新客礼
亚德客电磁阀37.99元
西门子PLC
博世电动工具
西门子PLC
大采汇服务号
公告:
五一开通会员有优惠
点击查看详情>
首页
最新采购单
优质工厂
优质产品
公众号
小程序
认证中心
采购行业分类
塑胶件
冲压件
钣金加工
包装印刷
焊接件
机加工
表面处理
锻造铸造
电子电器
机械设备
服装纺织
玻璃陶瓷
模具加工
木材家具
首页
>
最新订单
>
机加工
方板法兰加工
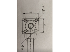
点击图片查看原图
需求数量:
20
报价是否含税:
含税
报价是否含运费:
含运费
付款方式:
有预付
所在地:
江苏盐城市
发布时间:
2020-06-26
有效期至:
2020-07-26
[已过期]
浏览次数:
157
公司基本资料信息
您还没有登录,请登录后查看详情
详细说明
60*60*12 采购20个 中间孔33 外圈45与33之间的锥度深4-4.5都可以 目标价格6元左右不开票 江苏省内或有现货的最好 可以做的联系我
更多
>
同类最新订单
插销车加工
搅拌杆接头加工
不锈钢箱体加工
丝杆加工
螺母加工
零件加工
CNC加工件
支撑板加工