大采汇 - 机械制造外协加工平台 - 数智化采购招标、询价报价B2B服务商

大采汇服务号

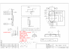
拉伸件

点击图片查看原图
 
需求数量: 2000000个
报价是否含税: 含税
报价是否含运费: 含运费
付款方式: 有预付
所在地: 浙江宁波市
发布时间: 2016-04-28
有效期至: 2016-05-28 [已过期]
浏览次数: 53
 
公司基本资料信息

您还没有登录,请登录后查看详情


 注意:查看联系方式,需开通VIP会员
详细说明

如能加工,请给我们报含税含运费含包装的单价,货到宁波鄞州姜山,包装为产品塑料袋包装,外用双瓦楞硬纸板。最外用免薰蒸木托盘(托盘大小:长不超过96CM*宽不超过86 CM*高度根据产品定,但不超过88CM)。模具费另外报开票的价格。

报价时请注明产品毛重,样品交期,    13962811_REVA_040816翻译.pdf      83952111_REV_0翻译.pdf
更多>同类最新订单
三环点火锁弹片加工 方型提把加工 不锈钢加工件 冲压件 冲压配件加工 冲压件 垫片加工 五金弹片加工