大采汇 - 机械制造外协加工平台 - 数智化采购招标、询价报价B2B服务商

大采汇服务号

尖头密封橡胶钉加工

点击图片查看原图
 
需求数量: 50000个
报价是否含税: 含税
报价是否含运费: 含运费
付款方式: 有预付
所在地: 浙江宁波市
有效期至: 2020-06-25 [已过期]
最后更新: 2020-06-10 20:37
浏览次数: 47
 
公司基本资料信息

您还没有登录,请登录后查看详情


 注意:发布人未在本站注册,建议优先选择VIP会员
详细说明
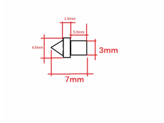
采购如图所示的耐磨密封尖头橡胶钉
这个橡胶钉子和金属孔起到堵口密封的作用,会被推着反复前进和后退,这个前进过程中橡胶钉和金属孔反复接触摩擦乃至有旋转摩擦,最后起到了完全堵死金属孔的密封作用。
所以这个橡胶钉要大小合适,耐磨。 可以有类似的尺寸
 
橡胶钉总长:7mm
圆柱体外径:3mm 圆柱体长度:3.3mm
圆盘外径:4.5mm 圆盘厚度:1.5mm
伞盖长度:7-1.5-3.3=2.2mm   
更多>同类最新订单
包橡胶螺丝加工 塑料件加工 塑料件加工 塑料件加工 塑料托盘加工 注塑模具加工 梳子加工 塑胶模具加工