1 - 10.9级钢结构螺栓 - M36*130 GB/T1228 10.9级 发黑,产品性能尺寸必须合格 50根
2 - 10.9级钢结构螺栓 - M20*220 GB/T1228 10.9级 发黑,产品性能尺寸必须合格 50根
3 - 外六角螺栓8.8 - M10*1.25*120 依照图纸尺寸加工,8.8级 ,镀锌 200根
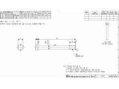
4 - 外六角螺栓8.8 - M12*1.25*123 照图纸尺寸加工,8.8级 ,镀锌 200根
10.9级钢结构螺栓要求5.13前交货,8.8级螺栓5.20前交货
4 - 外六角螺栓8.8 - M12*1.25*123 照图纸尺寸加工,8.8级 ,镀锌 200根
10.9级钢结构螺栓要求5.13前交货,8.8级螺栓5.20前交货

公告:

