大采汇 - 机械制造外协加工平台 - 数智化采购招标、询价报价B2B服务商

大采汇服务号

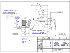
18CrNi8 齿轮加工

点击图片查看原图
 
需求数量: 800件
报价是否含税: 含税
报价是否含运费: 含运费
付款方式: 有预付
所在地: 陕西西安市
有效期至: 2016-05-19 [已过期]
最后更新: 2016-04-19 21:16
浏览次数: 38
 
公司基本资料信息

您还没有登录,请登录后查看详情


 注意:发布人未在本站注册,建议优先选择VIP会员
详细说明
产品名称 采购量 产品描述  
    18CrNi8齿轮316949        800件
 收货地:上海市宝山区
     18CrNi8齿轮316950        800件
 收货地:上海市宝山区
  • 下载
      18CrNi8齿轮316951        800件
 收货地:上海市宝山区
  • 下载
 
更多>同类最新订单
吊具-可调节丝杆加工 细钢丝穿珠针加工 金属直角两通加工 T型三通加工 两通加工 四通加工 铁和不锈钢加工 机加工件