手机版
桌面版
二维码
开年换新·稳价保供
施耐德电气新客礼
亚德客电磁阀37.99元
西门子PLC
博世电动工具
西门子PLC
大采汇服务号
公告:
首页广告位出租
点击查看详情>
首页
最新采购单
优质工厂
优质产品
公众号
小程序
认证中心
采购行业分类
塑胶件
冲压件
钣金加工
包装印刷
焊接件
机加工
表面处理
锻造铸造
服装纺织
机械设备
电子电器
玻璃制品
模具加工
木材家具
首页
>
最新订单
>
机加工
零部件机械加工(机壳)
点击图片查看原图
需求数量:
90件
报价是否含税:
含税
报价是否含运费:
含运费
付款方式:
有预付
所在地:
陕西咸阳市
有效期至:
2020-04-20
[已过期]
最后更新:
2020-04-13 13:19
浏览次数:
169
公司基本资料信息
您还没有登录,请登录后查看详情
注意
:发布人未在本站注册,建议优先选择
VIP会员
详细说明
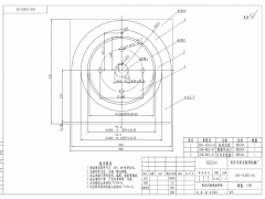
1 C-114885 机壳后板30B-15JK-01 - 30B-15JK-01 - 10件
30B-15JKPL-02机壳后板排套料图.PDF
30B-15JK-01机壳后板.PDF
2 C-114886 机壳前板30B-15JK-02 - 30B-15JK-02 - 10件
30B-15JK-02机壳前板.PDF
3 C-100803 筛架外法兰30B-WLS-01 - 30B-WLS-01 - 20件
30B-WLS-01筛架外法兰.PDF
4 C-113352 涡轮盘焊接图30B-WLP-G01 - 30B-WLP-G01 - 10件
30B-WLP-G001涡轮盘焊接图.PDF
5 C-114887 机壳底座30B-15JK-05 - 30B-15JK-05 - 10件
30B-15JK-05机壳底板.PDF
6 C-114888 铰链安装板30B-15JK-06 - 30B-15JK-06 - 20件
30B-15JK-06铰链安装板.PDF
7 C-114889 螺旋进料器安装板30B-15JK-07 - 30B-15JK-07 - 10件
30B-15JK-07螺旋进料器安装板.PDF
更多
>
同类最新订单
金属直角两通加工
T型三通加工
两通加工
四通加工
铁和不锈钢加工
机加工件
304不锈钢加工件
零件轴加工