手机版
桌面版
二维码
开年换新·稳价保供
施耐德电气新客礼
亚德客电磁阀37.99元
西门子PLC
博世电动工具
西门子PLC
大采汇服务号
公告:
五一开通会员有优惠
点击查看详情>
首页
最新采购单
优质工厂
优质产品
公众号
小程序
认证中心
采购行业分类
塑胶件
冲压件
钣金加工
包装印刷
焊接件
机加工
表面处理
锻造铸造
电子电器
机械设备
服装纺织
玻璃陶瓷
模具加工
木材家具
首页
>
最新订单
>
冲压件
非标件
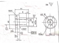
点击图片查看原图
需求数量:
20万每月
报价是否含税:
含税
报价是否含运费:
含运费
付款方式:
有预付
所在地:
浙江宁波市
发布时间:
2020-03-10
有效期至:
2020-03-20
[已过期]
浏览次数:
127
公司基本资料信息
您还没有登录,请登录后查看详情
详细说明
冷镦加机加工,价格质量有优势的报价,材质普通冷镦材料就好了,需要镀锌,报价不含税不含运费
更多
>
同类最新订单
压花防滑平垫加工
冲压件加工
弹片冲压加工
配件冲压加工
铝冲压件加工
冲压件/机加工件
提把加工
冲压件加工