大采汇 - 机械制造外协加工平台 - 数智化采购招标、询价报价B2B服务商

大采汇服务号

英制六角螺母加工

点击图片查看原图
 
需求数量: 5000只
报价是否含税: 含税
报价是否含运费: 含运费
付款方式: 有预付
所在地: 浙江宁波市
发布时间: 2020-03-06
有效期至: 2020-03-13 [已过期]
浏览次数: 42
 
公司基本资料信息

您还没有登录,请登录后查看详情


 注意:查看联系方式,需开通VIP会员
详细说明
1 - 英制六角螺母 - - - 5000只
 
2 - 英制六角螺母 - - 1-1/8-16 S38   5000只    2.jpg

3 - 英制六角螺母 - - 1-1/8-16 S37.8   5000只     3.png

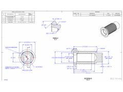
4 - 内外螺纹套 - - 1-1/8-16X56.5 L   5000只      4.png

5 - 内外螺纹套 - - 1-1/8-16X56.5 R   5000只     5.png

6 - 内外螺纹套 - - 1-1/8-16X64.6 R   5000只    6.png

7 - 内外螺纹套 - - 1-1/8-16X78.5 R   5000只    7.png

8 - 组合螺母 - - M22X1.5 S38   5000只    8.png

9 - 内外螺纹套 - - 1-1/8-16X77.8 L   5000只    9.png

10 - 内外螺纹套 - - 1-1/8-16X77.8 R   5000只    10.png

11 - 英制六角螺母 - - 3/4-16 S28   5000只    11.png

12 - 英制六角螺母 - - 3/4-16 L S28   5000只    12.png

13 - 英制法兰螺母 - - 1-1/8-16 S38   5000只    13.png

14 - 内外螺纹套 - - 1-1/8-16X64.6 L   5000只    14.png
更多>同类最新订单
销钉加工 惰轮销加工 304螺丝加工 行星抛光夹柄加工 不锈钢零件加工 铸造毛坯4轴加工 地脚加工 张紧轴加工