手机版
桌面版
二维码
开年换新·稳价保供
施耐德电气新客礼
亚德客电磁阀37.99元
西门子PLC
博世电动工具
西门子PLC
大采汇服务号
公告:
首页广告位出租
点击查看详情>
首页
最新采购单
优质工厂
优质产品
公众号
小程序
认证中心
采购行业分类
塑胶件
冲压件
钣金加工
包装印刷
焊接件
机加工
表面处理
锻造铸造
电子电器
机械设备
服装纺织
玻璃陶瓷
模具加工
木材家具
首页
>
最新订单
>
机加工
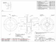
灰铁调正器零件加工
点击图片查看原图
需求数量:
1700件
报价是否含税:
含税
报价是否含运费:
含运费
付款方式:
有预付
所在地:
浙江绍兴市
发布时间:
2020-02-18
有效期至:
2020-03-04
[已过期]
浏览次数:
21
公司基本资料信息
您还没有登录,请登录后查看详情
注意
:查看联系方式,需开通
VIP会员
详细说明
灰铁调整器:材料灰铁HT250,产品价格请包含铸件-加工-涂装-包装-运费-含税各项费用,涂装为达克罗喷涂,木箱包装,送货至我厂(绍兴柯桥区兰亭工业区),首批订单1688件。(请联系lhcasting@qq.com 获取铸件和加工图3d文件)
更多
>
同类最新订单
挡套加工
隔套加工
救援滑轮加工
立加卧加龙门加工件
家具连接件加工
销钉加工
惰轮销加工
304螺丝加工