手机版
桌面版
二维码
开年换新·稳价保供
施耐德电气新客礼
亚德客电磁阀37.99元
西门子PLC
博世电动工具
西门子PLC
大采汇服务号
公告:
首页广告位出租
点击查看详情>
首页
最新采购单
优质工厂
优质产品
公众号
小程序
认证中心
采购行业分类
塑胶件
冲压件
钣金加工
包装印刷
焊接件
机加工
表面处理
锻造铸造
服装纺织
机械设备
电子电器
玻璃制品
模具加工
木材家具
首页
>
最新订单
>
机加工
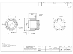
轴承支撑、光栅固定座、转盘加工
点击图片查看原图
需求数量:
500个
报价是否含税:
含税
报价是否含运费:
含运费
付款方式:
有预付
所在地:
上海
发布时间:
2019-12-19
有效期至:
2020-12-18
[已过期]
浏览次数:
54
公司基本资料信息
您还没有登录,请登录后查看详情
注意
:查看联系方式,需开通
VIP会员
详细说明
寻求可以加工轴承支撑、光栅固定座、转盘等产品的厂家。因为厂方出口国外,长期需求, 基本一天500个数量,来料加工,图纸上的订单长期需求。如果能加工,可来电洽谈
图纸:
07-S1240_A1 170155光栅固定座.pdf
07-S1238_A1 170155硅钢片底座2.pdf
07-S1242_A1 170155转盘.pdf
07-S1239_A1 旋转轴.pdf
07-S1241_A1 轴承支撑.pdf
更多
>
同类最新订单
吊具-可调节丝杆加工
细钢丝穿珠针加工
金属直角两通加工
T型三通加工
两通加工
四通加工
铁和不锈钢加工
机加工件