手机版
桌面版
二维码
开年换新·稳价保供
施耐德电气新客礼
亚德客电磁阀37.99元
西门子PLC
博世电动工具
西门子PLC
大采汇服务号
公告:
首页广告位出租
点击查看详情>
首页
最新采购单
优质工厂
优质产品
公众号
小程序
认证中心
采购行业分类
塑胶件
冲压件
钣金加工
包装印刷
焊接件
机加工
表面处理
锻造铸造
服装纺织
机械设备
电子电器
玻璃制品
模具加工
木材家具
首页
>
最新订单
>
机加工
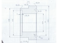
不锈钢304配件加工
点击图片查看原图
需求数量:
15件
报价是否含税:
含税
报价是否含运费:
含运费
付款方式:
有预付
所在地:
浙江舟山市
发布时间:
2019-12-07
有效期至:
2019-12-14
[已过期]
浏览次数:
47
公司基本资料信息
您还没有登录,请登录后查看详情
注意
:查看联系方式,需开通
VIP会员
详细说明
不锈钢304材质的配件,各5件。寻数控机床加工,材料用不锈钢304的黑棒来制作,省工又省料!产品尺寸如图纸!有加工能力的厂家报优惠价!物优价廉者优先成交!需报含增值税专用发票与含运费价!细看图纸,以防有差错
更多
>
同类最新订单
轴加工
采购德制螺丝、垫圈
喷嘴车件
K20M五金台加工(焊接
机加非标件
小螺栓加工
零件加工(急)
非标螺母加工